aFe Power Magnum Force Cold Air Intake Replacement Edge Trim Kit 1/16 IN X 36 IN L
Buy now pay later,no extra cost!
Payments from $2.05 with

Strong, Flexible Construction:
This edge trim’s EPDM construction is durable, withstanding temperatures from -40°F to 212°F (-40°C to 100°C). It retains its ample flexibility at low temperatures, making installation a breeze.
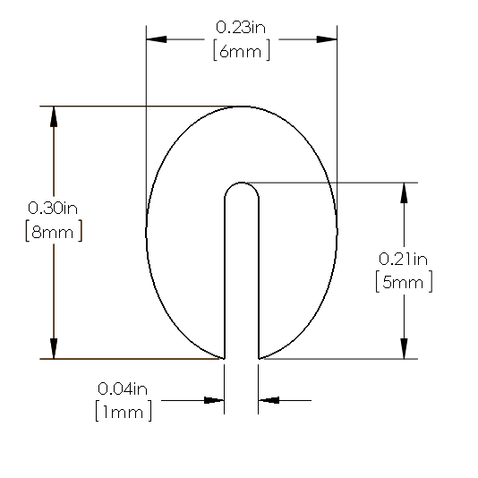
For a Variety of Uses:
It’s designed to attach perfectly to 1/16” thick edges and will fit edges ranging from 1/32” to 1/8” thick. This edge trim fits a wide range of aFe POWER’s Takeda and Magnum FORCE cold air intake systems, but can be used for a variety of other applications as well. It’s most commonly used to replace existing worn-out trim. For aFe POWER parts, refer to your cold air intake’s instruction sheet to confirm the required edge trim size.
Direct Replacement for P/N 05-00149.
Features:
Replace your worn-out intake edge trim and protect against sharp edges with this durable EPDM edge trim.
- Includes 3 Ft. of Flexible Replacement Trim for 1/32” to 1/8” Edges
- Durable EPDM Construction Resists Weathering and Aging
- Withstands Temperatures From -40°F to 212°F (-40°C to 100°C)